请输入您要搜索的课程或
联系我们
/
400-221-27XX
!
热门关键词:食品包装袋,定制塑料,购物袋,垃圾桶,塑料薄膜
名称
描述
内容
×
欢迎进入济南杰菲特气动液压有限公司!
销售热线:0531-88965247 0531-88963993
全国免费服务热线:
济南杰菲特气动液压有限公司(原华能气动)
致力于气动控制元件产品领军品牌
气动控制元件、执行元件制作、自营出口为一体的综合服务商
杰菲特气动液压
4000-8989-12
网站首页
关于我们
公司介绍
企业荣誉
企业文化
产品展示
阀类
气缸
过滤系统等
连接附件等
新闻资讯
公司新闻
行业动态
合作客户
在线留言
联系我们
济南杰菲特气动液压有限公司
40年专注气动控制元件、执行元件制作,自营出口为一体的综合服务商
我们的联系方式
了解我们公司
产品目录
产品目录
Product Catalog
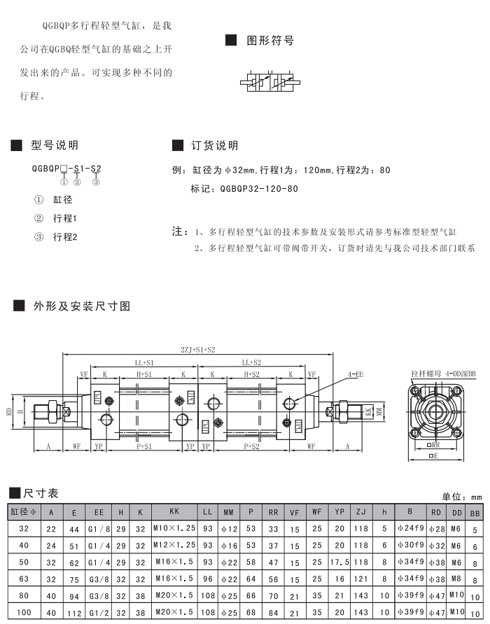
QGBQP系列轻型多行程气缸
发布时间: 2022-03-16 12:48
商品信息
上一个:
QGBQDH(Q)导向杆轻型气缸
下一个:
QGBQE系列轻型双行程气缸
网站首页
>>
气缸
>>
QGBQP系列轻型多行程气缸
阀类
气缸
过滤系统等
连接附件等
15
扫码关注微信
公众号较新动态
全国免费服务热线:
4000-8989-12